Our Research AI enabled spectral fingerprinting of pathogens for rapid food and water screening

Water testing in the field. Photo credit: Test Needs Lab, testneeds.com.au.

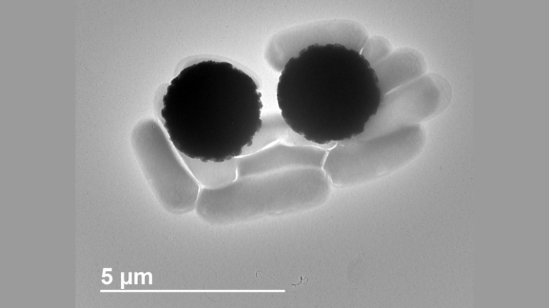
Bead-based bacteria capturing. Transmission electron microscopy image of Salmonella captured by immunomagnetic beads. Photo credit: Marissa Morales, PhD candidate in the Tadesse lab.

Food product testing. Photo credit: Public Interest Research Group, pirg.org.
Principal Investigator
Loza Tadesse
- d’Arbeloff Assistant Professor in Mechanical Engineering
- Department of Mechanical Engineering
Loza Tadesse is the d’Arbeloff Assistant Professor in Mechanical Engineering at MIT and a member of the J-Clinic for AI and Health and the Ragon Institute. She received her PhD in bioengineering from Stanford University and previously was a medical student at St. Paul Hospital Millennium Medical College in Ethiopia. She also did a postdoctoral training at the UC Berkeley. Tadesse’s research program at MIT develops next generation disease diagnostic devices using spectroscopy, optical, and machine learning tools. She has been listed on Forbes 30 Under 30, SPIE Women in Optics, and received the Biomedical Engineering Society (BMES) Career Development Award.
Challenge:
Can we diagnose bacteria contaminating food and water sources in minutes rather than days?
Research Strategy
- Capture bacteria using antibody-decorated silica beads and signal-enhancing gold particles
- Identify the fingerprint Raman spectral signature of captured pathogens directly from their bead bound state to determine their species type
- Demonstrate a prototype miniaturized spectrometer and machine learning pipeline with comparable results as achieved by scientific grade instrumentation
Project description
Despite public health measures, food and waterborne illnesses still cause over 420,000 deaths and $110 billion in losses worldwide each year. Current testing methods for detecting pathogens are slow, costly, and labor-intensive. The research team is developing a faster, simpler solution using signal-enhancing microbeads and Raman spectroscopy—a biosensing technique that measures a sample’s unique molecular “fingerprint” through inelastic light scattering. These pathogen-specific beads capture microbes like Salmonella, E. coli, and cholera-causing bacteria directly from liquid samples and amplify their Raman signals for detection. The resulting Raman spectra are analyzed by on-device machine learning algorithms to accurately identify the pathogens and assess their resistance to antibiotics—information critical for deciding treatment and containment strategies. The team’s compact, low-cost Raman device can perform these tests on-site in just hours, instead of the days current methods require. This technology has the potential to revolutionize food and water safety by reducing costs, preventing outbreaks, cutting down on food waste, and protecting public health. It may also be adapted to detect a wide range of other biological and chemical contaminants.
News
Additional Details
Impact Areas
- Water
- Food
Research Themes
- Sensors & Monitoring
- Equity & Access
Year Funded
- 2025
Grant Type
- Seed Grant
Status
- Ongoing

